概要
Pedestrian Wind Comfort (歩行者風の快適性)シミュレーションにおけるRegion of Interest (関心領域)の中心的な機能は、歩行者の快適性を評価する主要な建物/領域の周りの領域や領域を定義することです。さらに、シミュレーション領域のサイズと方向を自動化することで、労力を大幅に削減します。
これはPWC解析の必須かつ重要なステップであり、ジオメトリをインポートした直後、シミュレーションの最初の段階でアクセスする必要があります。
Region of Interest (関心領域)の設定
Region of Interest (関心領域)の設定は以下のようになります:
図1からわかるように、 Disc radius (円盤半径)、Center point (中心点)、Ground height (地面の高さ)、 North angle (北の方向)がパラメータに含まれます。
さらに、 Advance settings には 、 Wind tunnel size (風洞のサイズ)を デフォルトより大きくしたり、各方向の拡張を定義して完全にカスタマイズされた風洞を作成するオプションがあります。これらのパラメーターの詳細については後述します。
Disc radius (円盤半径)とCenter point (中心点)
Region of Interest (関心領域)は円盤の形で指定します。したがって、 Disc radius (円盤半径)は 、シミュレーションの結果を表示するために使用される円盤の半径を定義します。 Center point (中心点)は 、円盤の中心をx、y座標で定義します。
Ground height (地面の高さ)
Ground height (地面の高さ) (z)は、風洞の床面の高さを定義します。2つのシナリオがあります:
- モデルに地形がない場合、これは単純に建物の地面の高さであるべきです。地面より下に流れが生じないように、すべての建物の地面の高さが同じであることを確認してください。
- ジオメトリモデルに地形が含まれている場合、地面の高さは解析領域内の地形の最も低いレベルに設定する必要があります。地上高が高すぎると、地形の一部が仮想風洞の床より下に配置されるため、解析に考慮されない場合があります。地面の高さが低すぎると、仮想風洞のサイズが必要以上に大きくなるため、シミュレーション効率が理想的でなくなる可能性があります。
North angle (北の角度)
PWC解析用にSimScale Workbenchにインポートされたすべての形状は、デフォルトでy軸の正の方向が北方向を表すように配置されています。しかし、ジオメトリの作成時にこの規則に従っていない場合、ここで角度(度/ラジアン)を変更して北を再調整することができます。
Advanced settings
Advanced settingsでは、風洞の大きさを調整することができます。自動化アプローチでは、 Moderate (中程度)またはLarge (大きい)を選択します。これらの場合に使用される寸法は
Moderate (中程度)
$$ H, S, I = 3h $$
$$O = 9h$$
Large (大きい)
$$ H, S, I = 5h$$
$$O = 15h$$
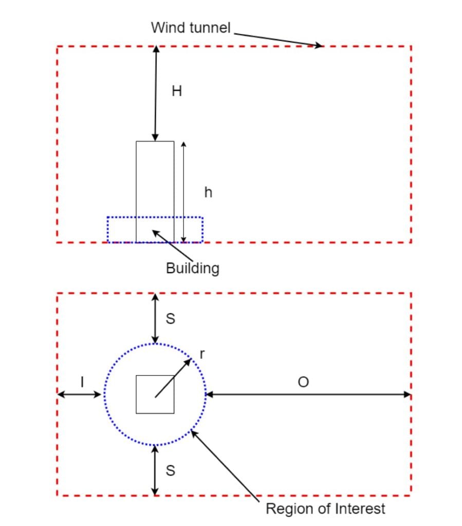
\(S\) は水平方向の拡張、\(I\) は流入方向の拡張、\(O\) は流出方向の拡張、\(H\) は高さ方向の拡張です。最も高い建物の高さは\(h\) (上記の 地上高から 計算)で定義され、CAD形状情報から取得されます。これは下図に示されており、\(r\) は円盤半径です:
より詳細に制御するために、ユーザーはCustom (カスタム)を選択することができます。Custom (カスタム)では、前述の\(H\) 、\(S\) 、\(I\) 、\(O\) の拡張がそれぞれ明示的に定義されます。小型の風洞では精度が低下する可能性が高いため、注意して使用する必要があります。カスタマイズされた設定は、風感度調査のベストプラクティスに従って、経験豊富なユーザーのみが使用する必要があります。
| 重要 |
| Incompressible LBM (非圧縮性LBM)およびPWCシミュレーションでは、上記で指定した元のバウンディングボックスまたは風洞サイズよりもわずかに拡張された領域を使用します。このわずかな拡張は、基礎となるソルバーPacefish®\(^1\) の要件に従うために必要です。この要件では、x、y、z方向のセル数が4で割り切れる必要があります。この制約を強制するために、出口面を拡張し、上面を拡張し、2つの側面面を対称に拡張します。この条件を満たすために、最小限の拡張を行います。 |
領域の視覚的確認
トポロジーが存在する場合、全ての風向 に対して風洞の限界を超えて拡張する必要があります。これは、ワークベンチの右端にある目のアイコンをクリックして(図3)、流れ領域/風洞を可視化し、床との関係で緑色の円盤を観察することで行うことができます(図4)。
| 重要 |
| 前述のように、デフォルトの流れ領域は北方向(y軸の正方向)で表示されますが、解析に指定された風向の数に基づいて回転されます |
上の例では、ピンク色の領域の拡張はすべて緑の円の外側にあるべきであるとアドバイスされていますが、ここではこれを採用していません。なぜこのような条件を定めているのかについては、 こちら をご覧ください。さらにこちらのページでは、Rhinoでこれを行う方法を作業例とともに読むことができます。
風の快適さの評価は、図5に示すように、指定されたRegion of Interest (関心領域)に対してのみ行われます: